0 EUR

Centrovacia podložka Č. 6442 AMF 72736

Centrovacia podložka Č. 6442 AMF
1 2 3 4 5
Výrobca: AMF
Kód tovaru:E7433990090
Product number:72736
Čiarový kód (EAN)::4020772072735
Cena bez DPH:
14,70 EUR
18,08 EUR s DPH
skladom: 2 ks
- + ks
Centrovacia podložka Č. 6442 AMF
Centrovacia podložka Č. 6442 AMF - obrázek

Varianty

Kód Názov Cena Košík
Centrovacia podložka Č. 6442 AMF E7433990090

Centrovacia podložka Č. 6442 AMF (72736)

14,70 EUR
18,08 EUR s DPH
rozbalit

Info

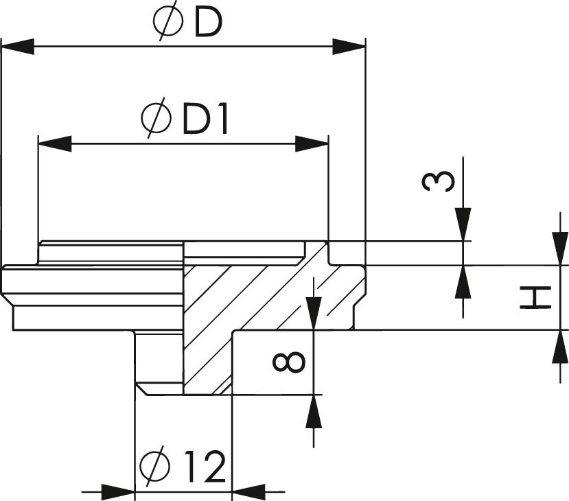
WGNr. W342
H 8 mm
D 45 mm
D1 35,8 mm
Značka AMF
Název výrobce Andreas Maier GmbH & Co KG
Položkové číslo výrobce 72736
Strana katalogu FORMATplus 2023 3/160

Popis

Strediaca doska, AMF

Prevedenie: Zo zušľachtenej ocele, popustené na brunýrovaný odtieň.

Použitie: S centrovacou doskou je možné skrutkovacie podpierky s O 50 mm nasadiť na všetky skrutkovacie podpierky FORMAT a rovnacie prvky s upínacím otvorom O 12 mm.

Technické špecifikácie sa môžu zmeniť bez výslovného upozornenia. Obrázky majú len informatívny charakter.

Individuálne ceny pre registrovaných

Rýchle dodávky už od 24 hodín

Osobný prístup nie len cez internet

Technická podpora aj za priamej účasti výrobcov

Zákaznícka podpora

V pracovných dňoch od 7:00 - 15:30

  +421 917 092 340   toolzone@agnaradie.sk



© 2020, TOOLZONE
Prosím, čakajte...